КРАСКИ, ОБОИ, ЛЕПНОЙ ДЕКОР, ТЕКСТИЛЬ
Санкт-Петербург, ул.Пионерская, д. 11
Пн-Пт: с 10 до 18 Сб-Вс: по записи
Для проектов и предложений

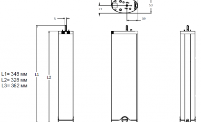
Карниз для раздвижных штор с электроприводом Glydea Ultra

РАССЧИТАЕМ СТОИМОСТЬ
и подберем материалы
Пришлите Ваш дизайн-проект или изображения желаемого интерьера
  • Менеджер свяжется с Вами для уточнения деталей
  • Делаем подборку 3-х вариантов под Ваш проект
  • Согласуем подходящий вариант

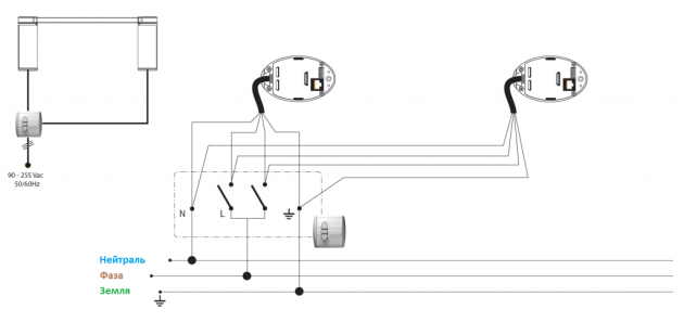
Возможные варианты тандемного управления

Радиоуправление приводами DCT

  • Электропривод: Glydea Ultra 60 DCT
  • Центральное управление приводами: Dry Contact Receiver RTS
  • Устройство радиоуправления: Situo 5 RTS
Возможные варианты тандемного управления — фото-1172_106

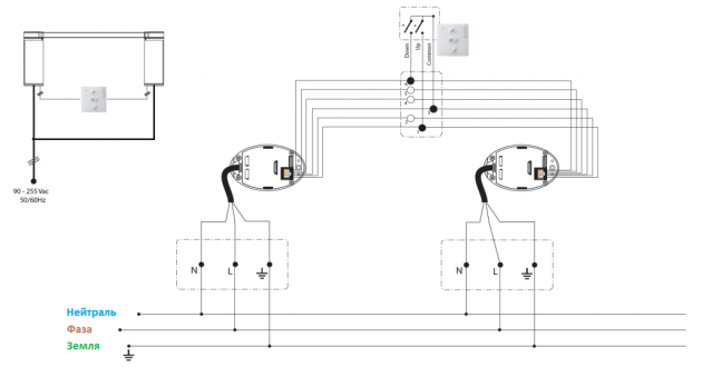
Радиоуправление приводами WT

  • Электропривод: Glydea Ultra 60 WT
  • Радиоприёмник: Universal Receiver RTS
  • Устройство радиоуправления: Situo 5 RTS
Возможные варианты тандемного управления — фото-1172_106

Проводное (фазное) управление при помощи выключателя переменного тока с блокировкой от одновременного включения

  • Электропривод: Glydea Ultra 60 WT
  • Центральное управление приводами: выключатель Inis Uno
Карниз для раздвижных штор с электроприводом Glydea Ultra — фото-1172_107

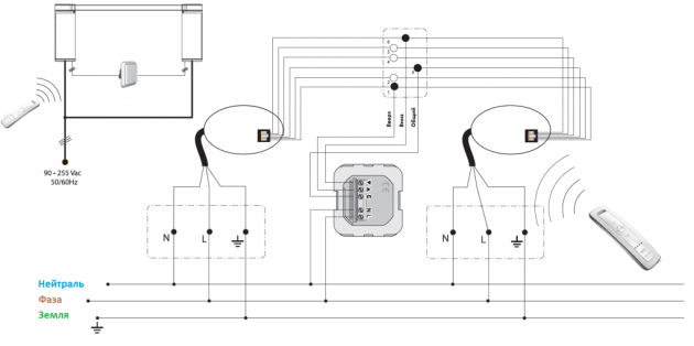
Проводное управление по "сухим" контактам с помощью выключателя DCT

  • Электропривод: Glydea Ultra 60 DCT
  • Управление по "сухому" контакту: Smoove Origin IB
Карниз для раздвижных штор с электроприводом Glydea Ultra — фото-1172_107
L (фаза) - коричневый, N (нейтраль) - синий, Pe (земля) - зелёный, L1 и L2 (фазы направления) - чёрный, коричневый
SOMFY -
для тех, кто привык
выбирать только лучшее!
Занимаетесь дизайном, проектированием, архитектурой или строительством?

Станьте участником партнерской программы IPAINTS по лакокрасочным материалам!

ПРИГЛАШАЕМ
в нашу студию
Мы находимся:

Санкт-Петербург, ул.Пионерская, д. 11

Пн-Пт: с 10 до 18 Сб-Вс: по записи

  • Вживую ознакомиться с материалами
  • Получить бесплатные выкрасы, взять пробники краски 0,45л, подобрать цвет и заказать колеровку
  • Проконсультироваться по любым вопросам краски и нанесения
  • Подобрать текстиль для интерьера, выбрать декоративные элементы, такие как: карнизы, лепнина
Подписывайтесь
на нас в соц. сетях

Наши подписчики первыми узнают
об акциях, новинках и мастер-классах